Industry application

行业应用

变频器
应用概述
变频器应用概述

在许多工业环境中大量使用电动机来执行各种任务和功能,例如转动轴、驱动泵、风扇和电动工具。变频器,用于控制电动机的速度和扭矩-通常是三相交流感应或三相无刷直流电机-采用专门开发的控制方法,如变频驱动(VFD)或磁场定向控制(FOC)。当运动加速度、速度和位置需要最大精度时使用伺服电机-例如在工业自动化,机器人技术,数控机械中-能够实现最高的能效和可靠的性能。


上述变频器/伺服的驱动主要由功率器件执行,ballbet贝博征针对该领域推出IGBT单管、IGBT模组、PIM模组等系列化产品。

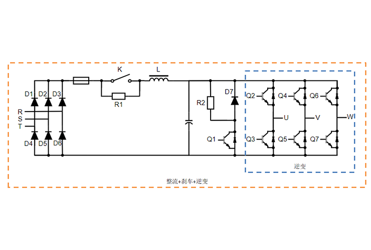
变频器
应用系统图
变频器应用系统图
变频器
应用拓扑图
变频器应用拓扑图
变频器
推荐产品

IGBT单管产品清单

Part Number VCE(V) Ic(A)@100℃ Vcesat(V) @25℃
typ
Eon(mJ) Eoff(mJ) Package Datasheet
MPBQ120N65GSF 650 120 1.3 5.32 6.88 TO-247 plus Download
MPBW25N120BF 1200 25 1.9 1.6 1.9 TO-247 Download
MPBW40N120ES 1200 40 1.55 2.2 2.84 TO-247 Download
MPBL75N120BF 1200 75 1.9 5.4 4.1 TO-264 Download
MPBQ75N120BF 1200 75 1.9 4.6 4.4 TO-247 plus Download

IGBT模块产品清单

Part Number VCE(V) Ic(A)@100℃ Vcesat(V) @25℃
typ
Eon(mJ) Eoff(mJ) Package Datasheet
MPFF150R12KB 1200 150 1.81 9.4 7.39 62mm module Download
MPFF200R12KBF 1200 200 2 8.8 13.6 62mm module Download
MPFF400R12KBF 1200 400 1.9 27.8 38.9 62mm module Download
MPFF450R12KBF 1200 450 2.04 88.4 43.7 62mm module Download
MPFF600R12MBF M3 1200 600 2.2 151.3 88.6 EconoDUAL 3 Download
MPFF600R12MBF M5 1200 600 1.65 118.4 79.2 EconoDUAL 3 Download
MPFF300R17KBF 1700 300 1.95 70.5 62.4 62mm module Download
MPFF450R17MBF 1700 450 2.29 153.1 131.5 EconoDUAL 3 Download

PIM产品清单

Part Number VCE(V) Ic(A)@100℃ Vcesat(V) @25℃
typ
Eon(mJ) Eoff(mJ) Package Datasheet
MPFP15R12WBF 1200 15 2 1.74 0.86 EasyPIM 1B Download
MPFP25R12CBF 1200 25 1.98 4.25 1.64 EconoPIM 2 Download
MPFP25R12EBF 1200 25 2.04 3.21 1.32 EasyPIM 2B Download
MPFP25R12FBF 1200 25 1.99 4.9 1.7 EconoPIM 2 Download
MPFP40R12CMF 1200 40 1.78 5.21 1.32 EconoPIM 2 Download
MPFP40R12EBF 1200 40 1.94 4.61 2.19 EasyPIM 2B Download
MPFP40R12FBF 1200 40 2.23 10.1 2.3 EconoPIM 2 Download
MPFP50R12FBF 1200 50 2.25 15.8 3.49 EconoPIM 2 Download
MPFP50R12DBF 1200 50 1.88 12.78 3.71 EconoPIM 3 Download
MPFP50R12TBF 1200 50 1.94 24.4 4.93 EconoPIM 3 Download
MPFP75R12DBF 1200 75 1.98 8.2 4.9 EconoPIM 3 Download
MPFP100R12DBF 1200 100 1.93 26.2 8.1 EconoPIM 3 Download
MPFS100R12DBF 1200 100 1.81 7.23 6.6 EconoPack 3 Download
MPFP150R12DBF 1200 150 1.9 21.24 11 EconoPIM 3 Download
MPFS150R12DBF 1200 150 1.92 12.4 9.3 EconoPack 3 Download